SP變頻功率傳感器尺寸和外形結構根據傳感器電壓、電流量程的不同會(huì )有很大不一樣,通常我們將傳感器劃分為低壓傳感器和高壓傳感器,1140V一下稱(chēng)之為低壓,1140V以上稱(chēng)之為高壓,然后根據電流量程有相應的傳感器尺寸外形結構,具體分為500A、1500A、2500A、3500A四個(gè)類(lèi)型。
SP變頻功率傳感器低壓系列型號:
| 額定電壓 | 型號 | 額定電流 | 額定電壓 | 型號 | 額定電流 | 額定電壓 | 型號 | 額定電流 |
| 380V | SP381201X SP381301X SP381401X SP381501X SP381751X SP381102X SP381152X SP381202X SP381252X SP381302X SP381352X |
200A 300A 400A 500A 750A 1000A 1500A 2000A 2500A 3000A 3500A |
690V | SP691201X SP691301X SP691401X SP691501X SP691751X SP691102X SP691152X SP691202X SP691252X SP691302X SP691352X |
200A 300A 400A 500A 750A 1000A 1500A 2000A 2500A 3000A 3500A |
1140V | SP112201X SP112301X SP112401X SP112501X SP112751X SP112102X SP112152X SP112202X SP112252X SP112302X SP112352X |
200A 300A 400A 500A 750A 1000A 1500A 2000A 2500A 3000A 3500A |
SP變頻功率傳感器高壓系列型號:
| 額定電壓 | 型號 | 額定電流 | 額定電壓 | 型號 | 額定電流 | 額定電壓 | 型號 | 額定電流 |
| 3.3KV | SP332201X SP332301X SP332401X SP332501X SP332751X SP332102X SP332152X SP332202X SP332252X SP332302X SP332352X |
200A 300A 400A 500A 750A 1000A 1500A 2000A 2500A 3000A 3500A |
6.6KV | SP662201X SP662301X SP662401X SP662501X SP662751X SP662102X SP662152X SP662202X SP662252X SP662302X SP662352X |
200A 300A 400A 500A 750A 1000A 1500A 2000A 2500A 3000A 3500A |
10KV | SP103201X SP103301X SP103401X SP103501X SP103751X SP103102X SP103152X SP103202X SP103252X SP103302X SP103352X |
200A 300A 400A 500A 750A 1000A 1500A 2000A 2500A 3000A 3500A |

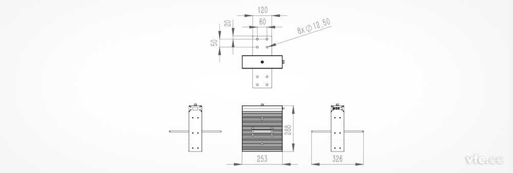
500A檔低壓傳感器尺寸結構圖

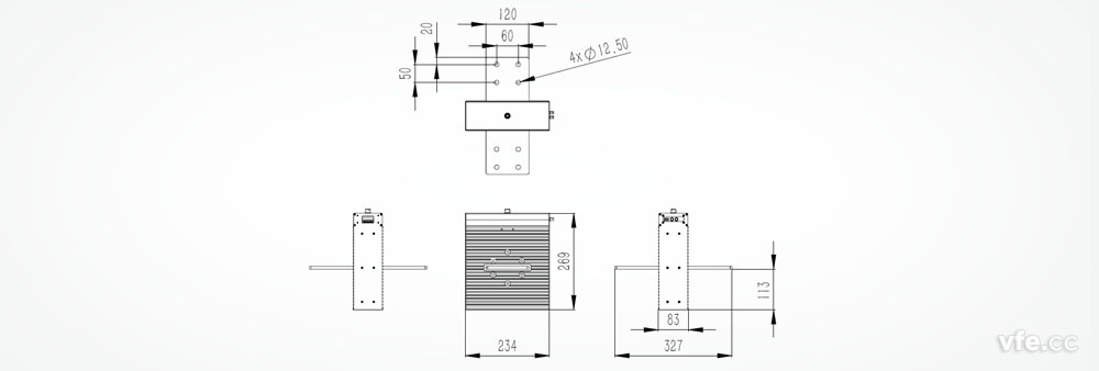
1500A檔低壓傳感器尺寸結構圖

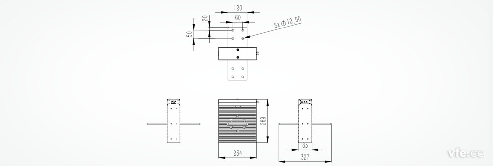
2500A檔低壓傳感器尺寸結構圖

3500A檔低壓傳感器尺寸結構圖
高壓傳感器有380V、690V、1140V三種類(lèi)型,同一電流檔,傳感器的尺寸和外形結構都是一樣的,高壓傳感器有500A、1500A、2500A、3500A四個(gè)類(lèi)型。

500A檔高壓傳感器尺寸結構圖

2500A檔高壓傳感器尺寸結構圖

2500A檔高壓傳感器尺寸結構圖
3500A檔高壓傳感器尺寸結構圖